您好,欢迎进入深圳市闪创智能科技有限公司官网!
提供专业定制、设计、生产、销售、售后服务一条龙服务
深圳市闪创智能科技有限公司 联系人:赵先生 手机: 137 2375 1150 电话: 0755-83342968 地址:深圳市龙岗区布吉街道茂业社区茂业城怡丰楼1、2单元
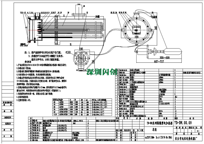
2020年5月21日为客户设计的10kw-50kw系列加热器图纸
你觉得这篇文章怎么样?
该内容暂无评论
Copyright © 深圳市闪创智能科技有限公司 备案号:粤ICP备2020102585号
技术支持:深圳闪创智能
管理员
该内容暂无评论